Казалось бы, что может быть проще — взял блок питания, подключил его двумя или тремя проводами к усилителю и всё… должно запеть? Оказывается не всегда. Как мы уже выяснили в первой части этого цикла статей, тут существует множество подводных камней.
Продолжим разбираться в хитросплетении питающих усилитель проводов. И как ни странно, больше всего проблем может доставить общий (земляной) проводник.
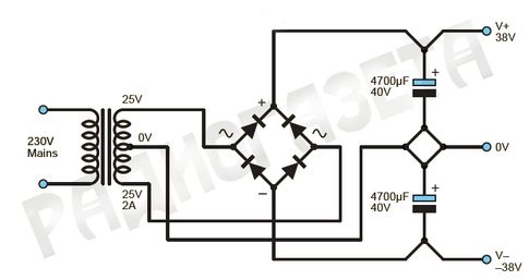
Для начала исправим одну оплошность. В первой части статьи была опубликована схема двухполярного блока питания усилителя, но отсутствовала его монтажная схема.
Вот вам и то, и другое:


По сути здесь два «отзеркаленных» однополярных блока.
Обратный ток акустической системы
Как известно, акустическая система является реактивной нагрузкой. А значит, она может возвращать ток усилителю. Этот ток, протекая по проводникам, создаёт разность потенциалов, что может привести к появлению положительной обратной связи и как следствие нестабильности усилителя.
Для избежания этого, земляную клемму громкоговорителя следует подключать к общему выводу конденсаторов фильтра питания. Часто вывод громкоговорителя подключают к общему выводу микросхемы, как показано на рисунке:
Такое подключение замыкает отрицательную полуволну сигнала в локальном контуре, исключая фильтрующий конденсатор, который мог бы снизить излучаемые помехи и повысить стабильность системы.
На рисунке показано, как ток утечки на землю одной полуволны сигнала может навести неприятные помехи и искажения, если общий провод громкоговорителя подключен к выводу выходного каскада микросхемы:
Аналогично, если на плате усилителя в цепях питания есть байпасные конденсаторы (а они обычно есть) довольно большой ёмкости в несколько сотен микрофарад, то импульсы зарядного тока также создадут на общем проводнике разность потенциалов. Поэтому, повторимся ещё раз, наилучшая точка подключения общего провода акустической системы — это общий вывод конденсаторов фильтра питания.
Чем больше мощность, тем хуже…
Часто радиолюбители стараются сделать свой усилитель как можно мощнее (типа, так круче), да и аудиофилы зачастую оснащают свои системы усилителями с мощностью в разы превышающей необходимую для озвучивания обычной комнаты до нормального уровня громкости, мотивируя тем, что так получается больший динамический диапазон. Такие усилители (большой мощности) порой решают одни проблемы, но создают другие.
Индуктивность проводников питания является основным «слабым звеном» усилителей мощности класса АВ. В таких усилителях выходные транзисторы включаются и выключаются поочередно, соответственно по плюсовой и минусовой шинам питания протекают полуволны зарядных токов.
Если эти импульсы через емкостные и индуктивные связи попадут в звуковой тракт это приводит к ужасному размытому звучанию.
Такое происходит, если какая-то чувствительная дорожка (проводник) проходит рядом с шиной питания. Бифилярная свивка проводов питания эффективно подавляет излучаемые помехи за счёт взаимной компенсации положительной и отрицательной полуволн.
На печатной плате этот метод можно реализовать, если шины питания расположить друг над другом с двухсторон платы (требуется двухсторонняяя печатная плата)
Достойный образец проектирования печатной платы для усилителя мощности — это конструкция Ultra-LD 200W, представленная в одном из номеров журнала «Практическая электроника каждый день». На печатной плате этого усилителя реализованы все рекомендации по монтажу, представленные в данном цикле статей. И во многом за счёт этого удалось получить уровень шумов -122 дБ и уровень нелинейных искажений ниже 0,001%.
Примечание редакции РадиоГазеты: если нашим читателям интересно, пишите в комментариях и мы опубликуем описание этого усилителя.
Заземление одной стороны печатной платы хорошо работает в высокочастотных и слаботочных конструкциях. Для усилителей мощности это не подходит, потому как трудно предсказать протекание токов в зависимости от выбора точек заземления.
В современных ламповых усилителях часто общую шину делают в виде отрезка тостого лужёного провода. Многие гуру проповедуют разводку звездой с единственной точкой подключения. Бывают случаи, когда при таком подходе усилители плохо работают. Сказывает большое количество длинных проводов, которые снижают стабильность конструкции.
Как правило, в хорошем усилителе есть несколько точек заземления.
Развязка
При использовании двух фильтрующих конденсаторов при двухполярном питании надо следить, чтобы две полуволны сигнала суммировались в одной точке, как показано на рисунке:
Часто применение одного конденсатора, включенного между плюсом и минусом питания, позволяет решить эту проблему. Этот метод хорошо работает с операционными усилителями типа 5532, и для усилителей мощности типа LM3886.
Когда питание драйверного каскада и выходного каскада подключено раздельными проводами, это может вызвать некоторую нестабильность усилителя на высоких частотах. Проблема решается подключением керамического конденсатора небольшой ёмкости между выводами питания микросхемы:

Если ёмкость байпасных (блокировочных) конденсаторов больше 100мкФ, их общий провод должен подключаться к «грязной» земле, так как большие зарядные токи могут создавать ощутимые помехи, если конденсаторы будут подключены к сигнальной земле.
Цепь Цобеля
Цепь Цобеля на выходе усилителя предотвращает его возбуждение на высоких частотах. Импульсы тока в этой цепи могут вызвать проблемы, поэтому должны замыкаться на «грязную» землю, то есть на общий вывод конденсаторов фильтра или байпасных конденсаторов.
Для некоторых микросхем усилителей мощности длинные провода в цепях Цобеля вызывают нестабильность на отрицательных полуволнах сигнала.
Пример монтажа моно-усилителя
Обычно «звезда» в усилителе с однополярным питанием бывает трёхлучевой: сигнальная земля, земля конденсаторов фильтра питания и «грязная» земля. Пример представлен на рисунке:

Здесь под усилителем следует понимать как интегральное исполнение, так и усилители на дискретных элементах.
Как видно, к одному лучу подключена сигнальная земля — здесь токи очень малы, поэтому подключать все элементы отдельными проводниками нет необходимости. Ко второму лучу отдельными проводниками подключены выводы сильноточных цепей: выходного каскада, цепи Цобеля, общий вывод акустической системы и байпасных конденсаторов. К третьему лучу подключен общий вывод фильтрующего конденсатора блока питания.
Правильное подключение общего провода к выводам микросхем показан на рисунке:
Вариант «с» — это неправильный вариант. Из-за сопротивления дорожки большой ток поднимет потенциал слаботочного общего провода относительно вывода микросхемы, что приведет к росту искажений.
Продолжение следует…
Статья подготовлена по материалам журнала «Практическая электроника каждый день»
Автор: Джек Розман
Вольный перевод: Главный редактор «РадиоГазеты»
спасибо за советы и рассылки!
Там в самой схеме как бы особенного сильно ничего нет. А вот монтаж, конечно, стоит принять во внимание.
Ладно, всё, уговорили. Уже готовим статью.
Ultra-LD 200W! -ну, пожалста……
Поддерживаю просьбу опубликовать статью об усилителе Ultra-LD 200W!
Спасибо за статью. Присоединяюсь к интересующимся усилителем Ultra-LD 200W.
Поддерживаю geldiev
Принято. Давайте так, если 10 заявок наберётся, опубликуем.
Спасибо, очень интересный материал!
Поддерживаю просьбу опубликовать статью об усилителе Ultra-LD 200W.