Если вы являетесь счастливым обладателем лампового усилителя, то, скорее всего, при желании послушать любимые композиции единолично, через наушники, вы сталкиваетесь с неудобством, вызванным отсутствием выхода на головные телефоны.
Да и обладателям дорогих или не очень смартфонов и планшетов тоже приходится несладко — эти аппараты чаще всего не в состоянии раскачать качественные высокоомные наушники. Поэтому любимые композиции звучат совсем не так, как на профессиональной аппаратуре.
Конечно, если вы истинный меломан и музыка для вас дороже денег, то вас ни что не остановит от покупки предварительного усилителя за 6000 $, усилителя для наушников за 5000$ и самих наушников за 2000$. И погрузиться в нирвану… Однако, если ситуация с деньгами не такая радужная, или вы любите всё делать своими руками, то, оказывается, можно собрать высококачественный усилитель для наушников всего за… 30$.
А зачем он вам???
А нужен ли вам прецизионный усилитель? Это зависит от ваших музыкальных пристрастий и привычек. Если вы привыкли слушать музыку «на бегу», то есть с портативных устройств на прогулке, пробежке, в тренажерном зале и других подобных местах, то описываемый ниже проект не для вас. Просто постарайтесь подобрать к своему аппарату максимально подходящие по характеристикам и звучанию наушники.
Точно также следует поступить, если вы любите музыкальные стили, где присутствуют сильные искажения сигнала, типа рока, хеви-металла и подобные.
Тем не менее, если вы предпочитаете слушать музыку в тихой уютной обстановке у себя дома или в офисе, и ваши вкусы тяготеют к живой и натуральной музыке типа классической, джазовой, или чистому вокалу, вот тогда вы сможете по достоинству оценить качество звучания и точность связки прецизионный усилитель плюс высококачественные наушники.
Варианты
Допустим, вы решили, что усилитель для наушников вам необходим. Каков следующий шаг? В Интернете можно найти массу проектов с использованием вездесущего LM386. Микросхема стала популярной благодаря высокой надёжности, низкой стоимости, возможности работать с однополярным питанием и малому количеством внешних элементов. Такие усилители обычно хорошо справляются с недорогими наушниками, но все эти достоинства меркнут, если сравнить уровень шумов и искажений LM386 и хорошо спроектированного усилителя на дискретных элементах или на специализированных микросхемах.
Если у вас найдётся около 30$ и не пугает работа с элементами для поверхностного монтажа (SMD-элементы), то представленный здесь проект именно то, что нужно.
Идеи и схема
При проектировании данной схемы брались в расчёт следующие моменты:
- Усилитель должен работать с относительного высокоомным выходом лампового предусилителя или усилителя электрогитары. Другими словами, входное сопротивление должно быть легкоперестраиваимое для источников с разным выходным импедансом.
- малое количество компонентов. Поэтому были выбраны микросхемы вместо транзисторов.
- небольшие усиление и мощность. Требуется раскачать чувствительные динамические наушники, а не акустическую систему.
- усилитель должен справляться с высокоомными наушниками. Автор использует Sennheiser HD 600 (сопротивление 300 Ом).
- получить максимально низкие шумы и искажения.
Принципиальная схема прецизионного усилителя для наушников представлена на рисунке:

При разработке этой конструкции рассматривались микросхемы таких производителей как National Semiconductor, Texas Instruments и другие. Масса полезной информации была найдена на ресурсах Headwize и форумах DiyAudio.
В результате, выбор пал на прецизионный драйвер для наушников от Texas Instruments TPA6120A2 и операционные усилители AD8610 от Analog Devices для входного буфера.
Схема получилась относительно простой, с двухполярным питанием. Если вы уверены в отсутствии постоянной составляющей на выходе вашего источника сигнала, то разделительные конденсаторы (С24 и С30) могут быть исключены из тракта с помощью перемычек Н1 и Н2.
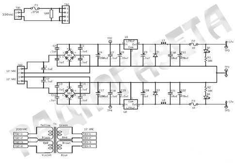
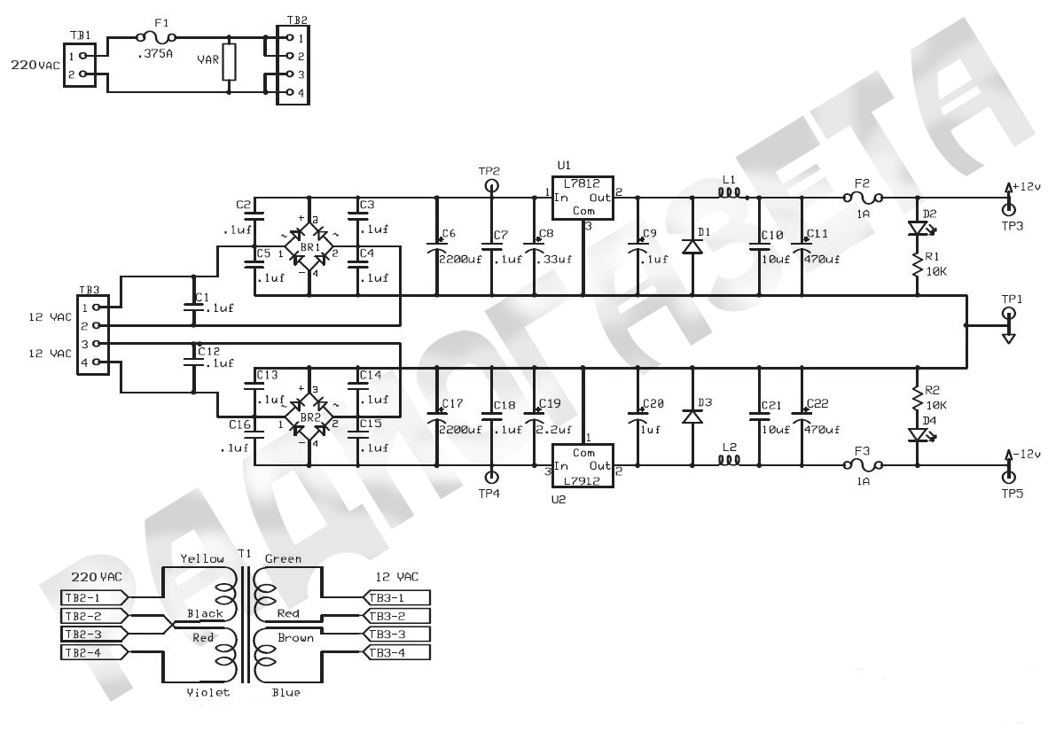
Блок питания обеспечивает на выходе напряжения ±12В при нагрузке до 1А. Его схема представлена на рисунке:

Часто в аудиофильских конструкциях стоимость блока питания в несколько раз превышает стоимость самой усилительной части. Здесь получилось немного лучше — стоимость элементов для блока питания составляет примерно 50$ и самые дорогие элементы здесь трансформатор и электролитические конденсаторы. Можно немного сэкономить, если заменить тороидальные трансформатор на обычный Ш-образный, отказаться от светодиодов и предохранителей на выходе блока.
Была опробована версия с отдельными стабилизаторами для каждого канала TPA6120A2 (микросхема имеет отдельные выводы питания для каждого канала). Разницу ни услышать, ни измерить не удалось, что позволило существенно упростить блок питания.
Так как все, используемые в усилителе микросхемы, имеют низкую чувствительность к шумам и помехам по цепям питания, а также высокий уровень подавления синфазных помех, то применение в блоке питания типовых интегральных стабилизаторов оказалось достаточным для получения высоких характеристик.
Настоятельно рекомендуется избегать в этой конструкции применения импульсных блоков питания, которые генерируют высокие уровни шумов и помех в звуковом диапазоне.
TPA6120A2
Микросхема TPA6120A2 от Texas Instruments представляет собой высококачественный усилитель для наушников высокой верности. В ней используется архитектура усилителя с дифференциальным входом, несимметричным выходом и обратной связью по току. Именно благодаря в большей мере последней получаются низкие искажения и шум, широкая полоса частот, высокое быстродействие.
Микросхема содержит два независимых канала с отдельными выводами питания. Каждый канал имеет характеристики:
- выходная мощность 80 мВт на нагрузке 600 Ом при питании ± 12В при уровне искажений+шум 0,00014%
- динамический диапазон более 120 дБ
- уровень сигнал/шум 120 дБ
- диапазон напряжения питания: ± 5В до ± 15В
- скорость нарастания выходного напряжения 1300В/мкс
- защиту от короткого замыкания и перегрева
Для сравнения уровень искажения+шум у «народной» микросхемы LM386 составляет 0,2%. Хотя, конечно, высокие параметры ещё не гарантируют качественно звучания. Для получения максимального результата надо учесть рекомендации производителя по выбору внешних элементов и топологии печатной платы. Всё это можно найти в технической документации на данную микросхему.
AD8610
Микросхема AD8610 от Analog Devices представляет собой операционный усилитель с полевыми транзисторами на входе, что даёт низкое напряжение смещения и дрейфа, низкий уровень шумов, малые входные токи. По уровню шума и скорости нарастания выходного напряжения эти операционные усилители отлично гармонируют с TPA6120A2.
Однако, не поленитесь и попробуйте их заменить другими ОУ. По расположению выводов AD8610 совместимы с другими аудиофильскими микросхемами. Тем более, что многие меломаны утверждают, будто слышат разницу в звучании ОУ!
Пассивные компоненты
Не все резисторы одинаковые! И если вам позволяет бюджет, используйте в данной конструкции металлоплёночные резисторы, которые несколько дороже, но имеют ниже шумы и выше стабильность. При желании сэкономить металлоплёночные резисторы следует поставить хотя бы во входных цепях (у AD8610), где чувствительность к шумам самая высокая.
Конденсаторы на пути сигнала С23, С24, С29, С30 лучше поставить плёночные. Конденсаторы по цепям питания микросхем производитель рекомендует керамические.
Основное требование к сигнальным разъёмам — надёжный контакт. В своей конструкции автор использовал обычный «джек» для подключения наушников и позолоченные RCA-разъёмы с тефлоновой изоляцией для подключения сигнального кабеля.
На принципиальной схеме показан вариант усилителя для работы от лампового предварительного усилителя, в котором осуществляется регулировка громкости. Если конструкцию предполагается сделать более гибкой и универсально, то, конечно, на входе желательно предусмотреть свой регулятор громкости. Для достижения максимального качества и чтобы не ухудшить характеристики усилителя здесь следует применить качественный потенциометр.
Бюджетной версией может быть изделия фирмы Alpha или RadioShack стоимостью около $3. За 40$ можно приобрести уже изделие аудиофильского класса от ALPS. Наилучшим решением будет использование галетного аттенюатора от DACT или GoldPoint. Их стоимость составляет примерно 170$. Кстати, на eBay можно найти подобные аттенюаторы китайского производства всего за 30$. Номинал потенциометра может быть в пределах 25-50кОм. Использование шагового аттенюатора кроме удобства регулировки громкости дополнительно гарантирует идентичность регулировки в обоих стереоканалов, что в усилителе для наушников особенно важно.
Конструкция
Все элементы конструкции (кроме силового трансформатора) размещаются на одной печатной плате. Если вы решите использовать внешний блок питания или собрать его по другой схеме, около 70% печатной платы останутся свободными.
Схема расположения элементов представлена на рисунке:

На рисунке представлен чертёж печатной платы со стороны деталей:

На рисунке представлен чертёж нижней стороны печатной платы:

Чертежи печатных плат в народном формате SLayout можно забрать здесь.
Главная особенность монтажа: на корпусе с нижней стороны TPA6120A2 есть контактная площадка примерно 3х4мм. Она должна быть припаяна к площадке на печатной плате под микросхемой, которая служит теплоотводом.
Фотография готовой конструкции:
При первом включении следует вынуть два предохранителя на выходе источника питания и убедиться в его работоспособности. Если выходные напряжения в норме, верните предохранители на место. Сам усилитель в наладке не нуждается.
Разместить плату можно в корпусе подходящих размеров, желательно металлическом для экранирования от внешних помех.
Заключение
Субъективно усилитель звучит на одном уровне с профессиональным студийным оборудованием. При сравнении с LM386 эта конструкция показала более ровное, чистое и детальное звучание.
Схема получилась довольно гибкой и легко настраиваемой под различные нужды. Так, например, сам автор собрал два экземпляра усилителя. Один по приведённой схеме для эксплуатации совместно с ламповым предусилителем. Второй экземпляр был рассчитан на работу со смартфоном и гитарным усилителем, потому был дополнен на входе фильтром высокочастотных помех и регулятором громкости. Кроме того, для повышения усиления (смартфон выдавал недостаточный уровень сигнала) были изменены номиналы резисторов R6 и R14 на 2кОм.
Изменяя номиналы этих резисторов, вы можете менять коэффициент усиления в широких пределах.
Вариант печатной платы усилителя от наших «друзей-марсиан», рассчитанный на установку элементов в «стандартных» корпусах (используемых в конструкции микросхем в DIP-корпусах не существует):
Анимированная демонстрация платы во всех ракурсах здесь (gif-файл 14Mb).
Автор: Брайан Бергерон
Вольный перевод: Главный редактор «РадиоГазеты».
Удачного творчества!
Тема получила внезапное развитие; собрал, из любопытства, этот усилитель, немного модифицировав схему, а именно, вместо двух AD8610 использовал один AD8620. Это уменьшило и удешевило конструкцию, позволив собрать весь усилитель (без БП) на односторонней плате размером приблизительно 53х38мм. Все детали, кроме активных — в DIP корпусах, что максимально упрощает сборку. Плата самодельная. БП — LM317+LM337 по стандартной схеме, собран отдельно (просто был готовый). 6120А2 припаяна к плате пузом через отверстие в плате. Держится отлично, а капля припоя так же отлично выполняет роль теплоотвода. Звучит просто обалденно! К сборке горячо рекомендую! Есть плата в Sprint Layout и фото. Подскажите, как всё это сюда загрузить, если кому надо.
Спасибо! Буду собирать, на ВК отпишусь.
Добрый день.
Обновил печатную плату, первую версию на Dip-компонентах. Сделаны два прореза в полигоне, проложена одна перемычка для их соединения.
Теперь фона не должно быть и на ней.
Благодарю всех, кто помог усовершенствовать плату.
Плата выложена на форуме, старая версия была удалена и на ее место выложил обновленную, чтобы не создавать путаницу.
Aleksandr1688 Доброе утро.
На счет фона на старых версиях (односторонний) плата, заходите на форум, в шапке данного сайта есть сылка на Форум, там заходите в раздел Усилители для наушников и на 6 странице есть фото, в каких местах нужно сделать разрезы и перекинуть перемычку, чтобы фон ушел. Благодарность, за это Владимиру Железнякову.
На счет фона на новой версии плат, односторонний, пока никто не собирал на ней, поэтому информации нет. я полностью разделил землю питания и сигнальную, соединяются они только в одной точке и через резистор на 10 Ом, поэтому я на 99% уверен, что фона не должно быть.
Точно узнаем, когда кто-то собирет усилитель на новой версии и отпишется.
В новой ревизии платы устранен фон? Напишите пожалуйста, я лучше закажу заново.
Всем привет, напишите подробнее как избавится от фона. Заказал 10 плат еще старой ревизии на выводных компонентах. Еще не собрал, думаю либо новые заказывать, либо пробовать на старой.
Вот и замечательно.
Поделитесь информацией для следующих сборщиков.
Я предполагал, что будет достаточно одного реза, возле входного или выходного разъема.
Если Вас не затруднит, выложите фото на форуме.
Благодарю.
Решил вопрос с фоном. В двух местах разрезал дорожку и кинул перемычку, фон ушел совсем.
Марсиане, посоветуйте читателю, что где порезать на старой плате?
Наверняка где-то земля закольцована?
Здравствуйте. Собрал усилитель, плата от Marsa старая, фон в обоих каналах в одном сильнее в другом слабее. Помогите избавиться, не хочется заказывать новую плату.
и…еще ))) в качестве силового трансформатора прекрасно подходит стандартный ТП-132-10 из того же ЧИПА ДИПА за 250р
кстати ! на новой печатке категорически неправильно понатыканы сквозные отверстия для припайки донышка !донышко имеет поверхность примерно 3х3мм и расположено по центру чипа, а сквозные отверстия на плате нарисованы по периметру — это ошибка ! в тех местах на чипе пластик . Как правильно расположить гляньте в оригинале платы.
Вообще мне думается правильнее сделать всего одно отверстие сквозное с металлизацией 2мм и через него «налить»припоя предварительно напихав в него паяльной пасты.
«»»»Mars_Atlant:
Все верно проблема с трассировкой земли, мой косяк, так как плату я не отлаживал поэтому она и осталась в первоначальном варианте, дорогие для меня микросхемы и тяжело их достать.»»»»
в чипе-дипе они по 240р и никогда не были дефицитом .
собрал плату по Вашей первой печатке , да в ней был фон который в принципе можно убрать «поискав» на плате нужную точку земли , но это как то неправильно .готовую платку продал . По старой плате… микросхему припаял донышком следующим образом — просверлил под ней отверстие в 3 мм и припаял в донышку отрезок медной проволоки скрученный на конце в спиральку длиной 2 см и диаметром 2мм.(получился микро радиатор) причем сначала приложил чип , отметил куда паять , потом припаял зажав в тисочки , и уже потом все это дело припаял ножками на плату, а микро-радиатор просунул сквозь отверстие и он торчал из платы (его потом загнул вбок ) . но это все колхоз конечно .
как соберусь сделать на новой плате -отпишусь и фотки скину, хотя уже сейчас известно — звук шикарный ! динамичный , не зажатый , на давно известных композициях слышно новые звуки.
Еще раз по монтажу микросхемы: думаю имеет право на жизнь следующий способ, вернее два :
1. приклеить донышко электропроводным клеем на основе серебра , (есть такое чудо в радиомагазинах) получим и контакт и передачу тепла через пыль серебра .
2.самое простое — очень тонкий проводник (тонкая полоска фольги от платы ) припаивается минимальным количеством припоя к любому краю основания подложки и заворачиваем наверх , потом этот проводник соединяют с землей .а саму микросхему припаиваем стандартно ножками к плате , но донышко сажаем к плате через термопасту .
единственно ножки нужно немножко подогнуть к плате ибо они станут не вровень с уровнем донышка.
Ссылки на печатные платы (от MARS) в статье исправлены.
Можно скачивать прямо с сайта.
Добрый день.
Обновил печатную плату, выложил ее на форуме.
По возможности отпишетесь, исчез ли фон в каналах.
Благодарю.
Добрый день.
Смотрю еще один собрал данный усилитель по моей плате.
Все верно проблема с трассировкой земли, мой косяк, так как плату я не отлаживал поэтому она и осталась в первоначальном варианте, дорогие для меня микросхемы и тяжело их достать.
В каком канале фон? Так-же можно попробывать землю с платы кинуть на корпус усилителя, где именно подключаться на плате, землю, можно выбрать экспериментальным путем. Просто водить проводник по плате и найти место где пропадет фон, там и припаять.
Придется перетрассировывать плату.
Проверьте разводку печатной платы, особенно земляной цепи. Она не авторская, делали наши друзья «марсиане».
повторил на версии платы для дискретных элементов. к сожалению в одном канале фон. в другом чисто.
Не критично: 100мкГн 200-500мА.
Подскажите, какие параметры (тип, номинал) дросселя в БП?
Доброй ночи.
Неужели его кто-то собрал, я просто в шоке.
А если не сложно выложите фото готового устройства, можно сюда или на форум, буду Вам очень признателен.
А если Вам будет не сложно сделать замеры, графики данного устройства, вообще сказка будет.
Благодарю.
«Звук льётся,а не извлекается». Усилитель хорошо показывает качество записи, качество источника. Он используется профессионалами и ценителями качественного звука-при выборе это надо учитывать.
Всё красиво! Платки вообще аккуратненько выглядят!
Добрый вечер.
Создал одностороннюю печатку с использовании Dip-корпусов компонентов и выложил на форуме данного сайта.
Удачи.
И Доброго Здравия ещё раз!
Благодарю за внимание. Так тут и ещё и один блок питания!))) Не доглядел, прошу прощения. В общем надо дорабатывать: два БП, или один с двумя питающими выходами, звуковой тракт переработанный в двойное моно. Ну! Эт дело вкуса. А, Я так — в плане собственного проверенного опыта. На вкус и цвет… Добренько, благодарю 🙂
Извините, не понял вопроса. Какая связь между поканальным питанием и раздельными землями? Развязать силовую и сигнальные земли (при желании) можно и при общем питании.
В статье указано, что блок питания используется общий на оба канала, печатная плата прилагается. На ней кстати размещаются элементы блока питания.
Как бы вся необходимая информация для повторения конструкции в статье есть.
Добрый вечер.
Подскажите надобность раздельного, поканального, питания усилителя, если в схеме звукового тракта нет и намёка на раздельную «землю» как питающую, так и звуковую? Прошу понять правильно, Я не придираюсь. Делать — так делать полностью отвечающее требованиям устройство.
Благодарю заранее.
Добрый вечер.
Отправил печатку в Lay6 на форум, как будет время у редакции добавят ее на сайт.
Удачного творчества.
Отличная статья! большое спасибо.
Вопрос — как паять пятачок на «брюшке» выходного усилителя?
Идеально — на паяльной пасте в печке с настроенным термопрофилем, как говорит гугль.
Или, приземлять на разогретую феном каплю паяльной пасты?
Сам автор пользовался термофеном и… ему понравилось.
Второй вариант, который он рекомендует, это сделать на «земляном» полигоне под этим контактом несколько металлизированных отверстий. Тогда за счёт металлизации можно будет «догреться» до микросхемы и обычным паяльником.
Печка, наверное, не у всех есть под рукой, да и вероятность перегреть высока.
Фены есть даже у самых дешёвых паяльных станций.
Ну а наша русская смекалка может подсказать ещё пару-другую способов…
Объявляем конкурс? 🙂
Cпасибо большое! пойду поищу опыты автора с феном.
Это он хорошо написал… «Working with the 20-pin surface-mount TPA6120A2 presents a modest challenge in that the belly of the IC must be soldered to thermal vias on the PCB. A hot air pencil is useful but not necessary for this step.»
«Термофен применим, но не необязателен».
Первая заявка на способ пайки — паять на залуженной обычном примое плате, через разогретую каплю сплава Розе. Думаю, при температуре 110*С будет время разогреть каплю, опустить микросхему и спозиционировать ее. Температура плавления сплава Розе по справочникам — от 94 до 98*С, чип не должен быть поврежден и выдержит с пару десятков секунд легко.
После того, как чип спозиционирован точно, фен убираем, и прихватываем крайние ножки чипа.
В работе чип не разогреется до температуры плавления сплава Розе, но в любом случае его будут держать на месте выводы.
Вторая заявка на способ — припаиваем один край чипа целиком в отогнутом от платы состоянии, греем под ним (лучше паяльником) каплю обычного легкоплавкого припоя, и прижимаем чип к капле. После фиксации «брюшка» пропаиваем вторую сторону.
Флюс и пинцеты приветствуются.
Способы теоретические, сам не проверял, просто идея.