В предыдущем выпуске «РадиоГазеты» была опубликована статья «Прецизионный усилитель для наушников«. Возможно для некоторых радиолюбителей повторить эту конструкцию будет несколько проблематично из-за использования в ней smd-элементов. Да и правильно припаять микросхему TPA6120 без специального оборудования и материалов тоже непросто.
В этой статье мы представляем вам конструкцию усилителя для наушников, выполненного на элементах в «привычных» корпусах, что облегчает её повторение радиолюбителями средней квалификации. Тем не менее параметры этого усилителя ни чуть не хуже, чем у конструкции в предыдущей статье.
Компания National Semiconductor производит широкий спектр микросхем для аудио-аппаратуры в том числе и топовых серий. Микросхема LME49600 представляет из себя усилитель (драйвер) тока и просто идеально подходит для усилителя для наушников. Даже в паспорте на эту микросхему National Semiconductor приводит пример усилителя для наушников, который и лёг в основу данной разработки. Операционный усилитель LME49720 от той же фирмы по своим параметрам отлично дополняет LME49600.
Схема
Принципиальная схема усилителя для наушников представлена на рисунке:

Так как оба канала идентичны, рассмотрим работу одного из них. Входной сигнал поступает через разъём К2 на регулятор громкости P1. С движка потенциометра сигнал подаётся на неинвертирующий вход операционного усилителя IC1A, к выходу которого подключен драйвер LME49600 IC3. Резисторы R5, R1, R2 образуют цепь общей отрицательной обратной связи и определяют коэффициент усиления схемы.
Так как наушники имеют разную чувствительность и сопротивление, для некоторых моделей усиления схемы может оказаться недостаточно. Тогда следует установить джампер JP1, что повысит коэффициент усиления с двух до шести.
В схеме нет разделительных конденсаторов, все каскады связаны по постоянному току. Поэтому для исключения постоянной составляющей на выходе (от помех и наводок, флуктуаций питания и других причин) в схему добавлен интегратор на элементе IC1B.
Электролитические конденсаторы есть только в цепях питания и отсутствуют на пути прохождения сигнала. Это обеспечивает минимальные искажения и отсутствие фазовых сдвигов.
Измерения, проведенные на испытательном стенде, подтверждают превосходные характеристики схемы. По результатам прослушивания усилитель показал великолепное качество звучания.
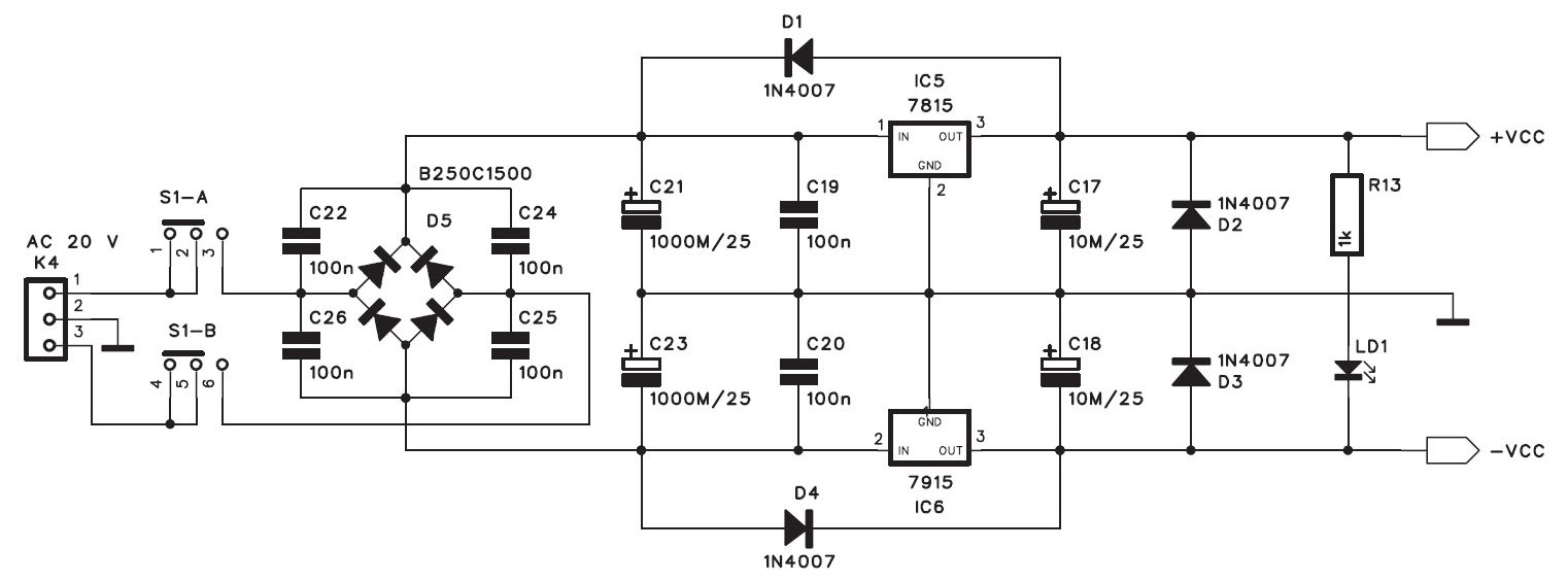
Схема блока питания усилителя представлена на рисунке:

Схема типовая и дополнительных пояснений не требует. Как и в предыдущей конструкции, благодаря использованию топовых микросхем с малой чувствительностью к качеству питающего напряжения, блок питания удалось сделать простым и дешёвым, на типовых интегральных стабилизаторах напряжения.
Конструкция
Усилитель выполнен на двусторонней печатной плате размерами 68 х 140 мм. (скачать чертёж печатной платы в формате SLayout). Расположение элементов показано на рисунке:

Чертеж платы со стороны элементов:

Чертеж платы с нижней стороны:

На левой части печатной платы расположены входные цепи усилителя. В средней части находятся драйверы и выходной разъём. В отличие от TPA6120 микросхема LME49600 имеет лепесток теплоотвода на верхней стороне корпуса. Его надо припаять к прямоугольным полигонам на печатной плате. Сделать это даже обычным паяльником не составит проблем.
В правой части расположены элементы блока питания. Сетевой трансформатор располагается за пределами печатной платы и крепится либо к корпусу, либо к отдельной плате.
Технические характеристики
- Диапазон воспроизводимых частот: 0 — 100 кГц;
- Искажения+шум <0,0003%;
- Рекомендуемое сопротивление нагрузки: от 16 до 300 Ом.
График зависимости искажений от выходной мощности (при разных сопротивлениях нагрузки) представлен на рисунке:
Зависимость искажений от частоты сигнала (при разных сопротивлениях нагрузки):
Даже при самом низком сопротивлении нагрузки 16 Ом (верхний график), минимальные искажение имеют уровень ниже 0,0001%, что является отличным значением.
На частоте 20 кГц их уровень остается меньше 0,001%, а для высокоомной нагрузки он ещё на порядок ниже.
Автор конструкции Алан Краус,
Вольный перевод: Главный редактор «РадиоГазеты»
Удачного творчества!
Никто из тех кто собирал до сих пор не отписался, как работает усилитель, какие впечатления. Заказывали платы у друзей из Китая или сами делали?
Пока модераторы простили 🙂
Может будет проще кооперироваться в нашей группе ВК?
Можно даже отдельную тему там под это создать.
Не знаю, можно такое писать или нет, но всё таки…
Да простят меня модераторы ))
Уважаемые радиолюбители, может скооперируемся и закажем печатные платы у китайских друзей? Как все знают, заказ у них минимум 5 плат…вот минимум четверо желающих нужно.
Если что, я с Краснодара.
Напряжение 20В это между 1-2 и 2-3. Схема маломощная, так что слишком мощный трансформатор не нужен. Берите от 25Вт.
Здравствуйте! Подскажите какой трансформатор подойдет в блок питания? Мощность? Напряжение 20в между 1 и 3 или 20в между 1 и 2 + 20в между 2 и 3?
Добрый вечер.
Благодарю за подсказку, действительно ошибка, хотя рисовал с оригинала, на нем кстати тоже эта ошибка. Исправил и отправил обновленную печатку администрации сайта.
На печатной плате ошибка,D3 коротит питающий проводник
Ваша оперативность поражает и радует.
Добрый день.
Отправил печатную плату в Lay6 на форум, как только у редакции будет свободное время они ее добавят на сайт.
Удачи.