Вместо пролога.
При сборке или ремонте усилителей звука довольно часто требуется подобрать идентичные по параметрам пары биполярных транзисторов. Китайские цифровые тестеры могут измерить коэффициент передачи тока базы (в народе — коэффициент усиления) биполярного транзистора, но маломощного. Для входных дифференциальных или двухтактных каскадов подойдёт. А как быть с мощными выходными?
Для этих целей в измерительной лаборатории радиолюбителя, занимающегося конструированием или ремонтом усилителей, должен быть прибор для проверки транзисторов. Он должен измерять коэффициент усиления на больших токах, близких к рабочим.
Для справки: коэффициент усиления транзистора «по научному» называется коэффициентом передачи тока базы в цепь эмиттера, обозначается h21э. Раньше назывался «бэта» и обозначался как β, поэтому иногда радиолюбители старой школы прибор для проверки транзисторов называют «бетник».
В Интернете и радиолюбительской литературе можно найти огромное количество вариантов схем прибора для проверки транзисторов. Как довольно простых, так и сложных, рассчитанных на разные режимы или автоматизацию процесса измерений.
Для самостоятельной сборки решено было выбрать схему попроще, чтобы наши читатели без труда могли сделать прибор для проверки транзисторов своими руками. Заметим сразу, что нам как-то чаще приходится иметь дело с усилителями на биполярных транзисторах, поэтому и получившийся в конце концов прибор предназначен для измерения параметров только биполярных транзисторов.
Для справки: раньше главный редактор РадиоГазеты измерения проводил старым дедовским способом: два мультиметра ( в цепь базы и цепь эмиттера) и «многооборотник» для задания тока. Долго, но информативно – можно не просто подобрать транзисторы, но и снять зависимость h21э от тока коллектора. Довольно быстро пришло осознание бесполезности данного занятия: для наших транзисторов снимать такую зависимость – одно расстройство (настолько они кривые), для импортных – пустая трата времени (все графики есть в даташитах).
Включив паяльник, главный редактор принялся собирать прибор для проверки транзисторов своими руками.
Если ноги плохо пахнут, вспомните, откуда они растут.
Немного погуглив, я нашёл схему прибора для проверки транзисторов, которая растиражирована на довольно приличном количестве сайтов. Простая, портативная… но кроме самого автора её никто не хвалит. Это должно было смутить сразу, но увы.
Итак, исходная схема (с немного упрощенной индикацией и коммутацией):

По замыслу автора здесь операционный усилитель совместно с испытуемым транзистором образуют источник стабильного тока. Ток эмиттера в этой схеме постоянный и определяется величиной эмиттерного резистора. Зная этот ток, нам остаётся только измерить ток базы, а затем путём деления одного на другое получить значение h21э. (в авторском варианте шкала измерительной головки сразу градуировалась в значениях h21э).
Два биполярных транзистора на выходе ОУ служат для увеличения нагрузочной способности микросхемы при измерении на больших токах. Диодный мост включён для того, чтобы исключить необходимость перекоммутации амперметра при переключении с «p-n-p» на «n-p-n» транзисторы. Для повышения точности подбора комплементарных пар биполярных транзисторов требуется отобрать стабилитроны (задающие опорное напряжение) с максимально близкими напряжениями стабилизации.
Меня как-то сразу смутило «не совсем корректное» включение операционного усилителя при однополярном питании. Но макетная плата всё стерпит, поэтому схема была собрана и опробована.
Сразу выявились недостатки. Ток через транзистор сильно зависел от напряжения питания, что ни разу не напоминает генератор стабильного тока. Что там умудрился подбирать автор схемы, питая при этом прибор от аккумулятора, остаётся большой загадкой. По мере разряда аккумулятора «образцовый» ток будет уплывать и довольно заметно. Потом пришлось повозиться в «умощнителем» на выходе ОУ иначе схема неустойчиво работала при измерении транзисторов разной мощности. Потребовалось подобрать значение резистора, а потом я перешёл на более «классический» вариант умощнителя. А двухполярное (правильное) питание ОУ решило проблему с плавающим током.
В итоге схема приобрела вид:

Но тут выявился ещё один недостаток – если вы перепутаете проводимость биполярного транзистора (включите на приборе «p-n-p», а подключите транзистор «n-p-n»), а при подборе из большого количества транзисторов вы точно рано или поздно забудете переключить прибор, то выходит из строя один из транзисторов «умощнителя» и придётся заниматься ремонтом прибора. Да и к чему нам сложности с двухполярным питанием, операционник, умощнитель и прочее?
Всё гениальное просто!
Я задался целью сделать что-то попроще и понадёжнее. Идея с источником тока мне понравилась, проводя измерения на фиксированном (заранее известном) токе эмиттера, мы можем сократить необходимое количество измерительных приборов (амперметров).
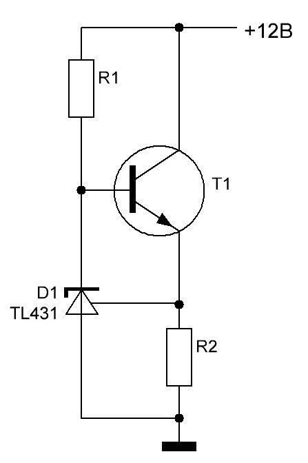
Тут я вспомнил про свою любимую микросхему TL431. Генератор тока на ней строится всего из 4-х деталей: Учитывая не очень большую нагрузочную способность этой микросхемы (а на радиатор её крепить крайне неудобно), для испытания мощных транзисторов при больших токах воспользуемся идеей господина Дарлингтона:
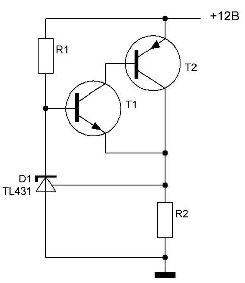
Теперь загвоздка – ни в одном справочнике нет схемы источника тока на TL431 и транзисторе «p-n-p» структуры. Решить эту проблему помогла идея не менее уважаемого мною господина Шиклаи:
Да, пытливый глаз заметит, что через токозадающий резистор здесь протекают токи обоих транзисторов, что вносит некоторую погрешность в измерения. Но, во-первых, при значениях коэффициента передачи тока базы транзистора Т2 выше 20, погрешность составит менее 5%, что для радиолюбительских целей вполне допустимо (мы не Шаттл к Венере запускаем).
Во-вторых, если мы всё же запускаем Шаттл, и нам требуется высокая точность, эту погрешность легко учесть в расчётах. Ток эмиттера транзистора Т1 практически равен току базы транзистора Т2, а его-то мы и будем измерять. В результате, при расчёте h21э (а это очень удобно выполнять в программе Excel) вместо формулы: h21э=Iэ/Iб нужно использовать формулу: h21э=Iэ/Iб-1
Для минимизации данной погрешности, а так же для обеспечения нормальной работы микросхемы TL431 в широком диапазоне токов в качестве транзистора Т1 следует отобрать транзистор с максимальным h21э. Так как это маломощный биполярный транзистор, пока не готов наш прибор, можно воспользоваться китайским мультиметром. Мне удалось всего из 5 штук транзисторов КТ3102 найти экземпляр со значением 250.
Так как сегодня в хозяйстве любого радиолюбителя найдётся китайский мультиметр (а то и не один), его-то мы и будем использовать в качестве измерителя базового тока, что позволит нам не городить коммутацию для разных диапазонов базовых токов (у меня мультиметр с автоматическим выбором предела измерений), а заодно исключить из схемы выпрямительный мост – цифровому мультиметру без разницы направление протекающего тока.
Схема имени меня, Шиклаи и Дарлингтона.
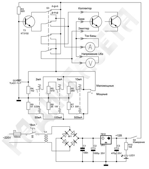
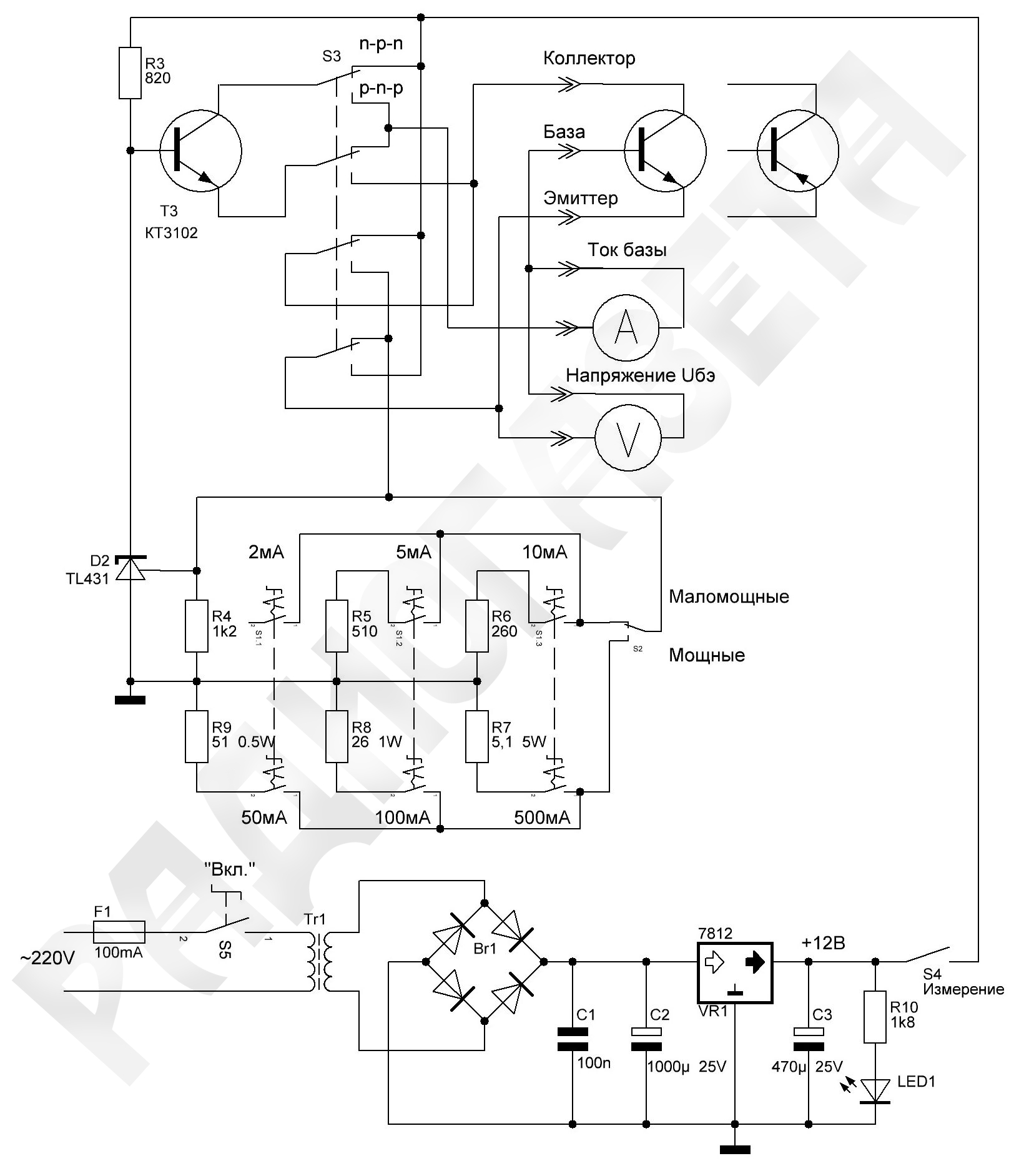
Для объединения вышеприведённых схем в одну добавим немного коммутирующих элементов, источник питания и для большей универсальности расширим диапазон эмиттерных токов. В результате получилась вот такая схема прибора для проверки транзисторов:

При указанных на схеме номиналах расчетный ток эмиттера обеспечивается уже при +4В питающего напряжения, так что это действительно генератор стабильного тока. Ради эксперимента я пару раз подключал транзисторы не той структуры. Ничего не сгорело! Хотя может быть стоило ток побольше задать? Скажу честно, испытаний на выносливость этого прибора проведено мало, время покажет, но начало мне нравится.
В принципе, питать прибор можно даже от нестабилизированного источника, так как стабилизация тока в схеме осуществляется в очень широком диапазоне питающих напряжений. Но! Бывают транзисторы (особенно отечественные), у которых коэффициент передачи тока базы сильно зависит от напряжения коллектор-эмиттер. Чтобы устранить погрешности измерений из-за нестабильной сети, в схеме предусмотрен стабилизированный источник питания. Кстати, именно из-за таких «кривых» транзисторов следует проводить измерения минимум при трёх разных значения тока.
Итак, схема прибора для проверки транзисторов получилась очень простой, что позволяет без проблем собрать этот прибор самостоятельно, своими руками. Прибор позволяет измерять коэффициент передачи тока базы маломощных и мощных биполярных транзисторов «p-n-p» и «n-p-n» структуры путём измерения тока базы при фиксированном токе эмиттера.
Для маломощных биполярных транзисторов выбраны значения тока эмиттера: 2мА, 5мА, 10мА.
Для мощных биполярных транзисторов измерения проводятся при токах эмиттера: 50мА, 100мА, 500мА.
Ни кто не запрещает проверять транзисторы средней мощности при токах 10мА, 50мА, 100мА. В общем, вариантов масса.
Значения эмиттерных токов можно изменить на своё усмотрение путём пересчёта соответствующего токозадающего резистора по формуле:
R= Uо/Iэ ,
где Uо — опорное напряжение TL431 (2,5В), Iэ — требуемый ток эмиттера испытуемого транзистора.
ВНИМАНИЕ: В природе встречаются микросхемы TL431 с опорным напряжением 1,2В (не помню как отличается маркировка). В этом случае значения всех токозадающих резисторов, указанных на схеме, необходимо пересчитать!
Конструкция и детали.
Из-за простоты устройства печатная плата не разрабатывалась, все элементы распаиваются на выводах переключателей и разъёмов. Всю конструкцию можно собрать в корпусе небольшого размера, всё будет зависеть от габаритов применённого трансформатора и переключателей.
При испытании мощных биполярных транзисторов на больших токах (100мА и 500мА) их необходимо закрепить на радиаторе! Если пластинчатый радиатор смонтировать на одной из стенок прибора или сам радиатор использовать в качестве стенки прибора, то это сделает пользование устройством более удобным. Радиатор, который всегда с собой! Это существенно ускорит процесс испытания мощных транзисторов в корпусах ТО220, ТО126, ТОР3, ТО247 и аналогичных.
Микросхему стабилизатора блока питания также необходимо установить на небольшой радиатор. Диодный мост подойдёт любой на ток 1А и выше. В качестве трансформатора можно использовать подходящий малогабаритный, мощностью от 10Вт с напряжением вторичной обмотки 10-14В.
Опционально: в приборе для проверки транзисторов предусмотрены гнёзда для подключения второго мультиметра (включенного в режим измерения постоянного напряжения на предел 2-3В). Подсмотрел эту идею на одном из форумов. Это позволяет измерить Uбэ транзистора (при необходимости вычислить крутизну). Данная функция очень удобна при подборе биполярных транзисторов одной структуры для ПАРАЛЛЕЛЬНОГО включения в одном плече выходного каскада усилителя. Если при одном и том же токе напряжения Uэб отличаются не более чем на 60мВ, то такие транзисторы можно включать параллельно БЕЗ эмиттерных токовыравнивающих резисторов. Теперь вы понимаете, почему усилители фирмы Accuphase, где в выходном каскаде в каждом плече включено параллельно до 16 транзисторов, стоят таких денег?
Перечень используемых элементов:
Резисторы:
R3 — 820 Ом, 0,25Вт,
R4 — 1к2, 0,25Вт,
R5 — 510 Ом, 0,25 Вт,
R6 — 260 Ом, 0,25Вт
R7 — 5,1 Ом, 5Вт (лучше больше),
R8 — 26 Ом, 1 Вт,
R9 — 51 Ом, 0,5Вт,
R10 — 1к8, 0,25 Вт.
Конденсаторы:
С1 — 100nF, 63V,
C2 — 1000uF, 35V,
C3 — 470uF, 25V
Коммутация:
S1 — переключатель типа П2К или галетный на три положения с двумя группами контактов на замыкание,
S2 — переключатель типа П2К, тумблер или галетный с одной группой контактов на переключение,
S3 — переключатель типа П2К или галетный на два положения с четырьмя группами контактов на переключение,
S4 — кнопка без фиксации,
S5 — сетевой выключатель
Активные элементы:
T3 — транзистор типа КТ3102 или любой маломощный n-p-n типа с высоким коэффициентом усиления,
D3 — TL431,
VR1 — интегральный стабилизатор 7812 (КР142ЕН8Б),
LED1 — светодиод зелёного цвета,
BR1 — диодный мост на ток 1А.
Разное:
Tr1 — трансформатор мощностью от 10Вт, с напряжением вторичной обмотки 10-14В,
F1 — предохранитель на 100mA…250mA,
клеммы (подходящие доступные) для подключения измерительных приборов и испытуемого транзистора.
Работа с прибором для проверки транзисторов.
1. Подключаем к прибору мультиметр, включенный в режим измерения тока. Если нет режима «авто», то выбираем предел в соответствии с типом проверяемых транзисторов. Для маломощных — микроамперы, для мощных биполярных транзисторов — миллиамперы. Если вы не уверены в выборе режима, поставьте сначала миллиамперы, если показания будут низкие, переключите прибор на меньший предел.
2. Если есть необходимость подобрать транзисторы с одинаковым Uбэ, подключаем к соответствующим гнёздам прибора второй мультиметр в режиме измерения напряжения на предел 2-3В.
3. Подключаем прибор к сети и нажимаем кнопку «Вкл» (S5).
4. Переключателем S3 выбираем структуру испытуемого транзистора «p-n-p» или «n-p-n», а переключателем S2 его тип — маломощный или мощный. Переключателем S1 устанавливаем минимальное значение эмиттерного тока.
5. Подключаем к соответствующим гнездам выводы испытуемого транзистора. При этом, если транзистор мощный, его следует закрепить на радиаторе.
6. Нажимаем на 2-3 секунды кнопку S4 «Измерение». Считываем показания мультиметра, заносим их в таблицу.
7. Переключателем S1 устанавливаем следующее значение эмиттерного тока и повторяем пункт 6.
8. По окончании измерений отключаем транзистор от прибора, прибор — от сети. В принципе, парные транзисторы можно отобрать по близким значениям измеренного базового тока. Если требуется рассчитать коэффициент h21э или построить графики, то следует перенести данные в электронную таблицу Excel или аналогичную.
9. Сравниваем полученные данные в таблице и отбираем транзисторы с близкими значениями.
Вместо эпилога.
Немного замечаний по маломощным биполярным транзисторам ( не зря же я для них режимы предусмотрел?).
Почему-то радиолюбители наибольшее внимание при построении усилителей на транзисторах уделяют ( и то в лучшем случае) подбору идентичных экземпляров для оконечного каскада.
Между тем, на входе усилителя чаще всего используют дифференциальные каскады или реже двухтактные. При этом напрочь забывается, что для получения от диф. каскада как и от двухтактного по максимуму всех его замечательных свойств транзисторы в таком каскаде также должны быть подобраны!
Более того, для обеспечения максимально близкого температурного режима корпуса транзисторов дифкаскада лучше склеить между собой (или прижать друг к другу хомутиком), а не разносить по разным сторонам платы. Применение во входном каскаде интегральных транзисторных сборок устраняет эти проблемы, но такие сборки порой стоят дорого или просто не доступны радиолюбителям.
Поэтому подбор маломощных транзисторов входного каскада остаётся актуальной задачей, и предлагаемый прибор для проверки транзисторов может существенно облегчить этот процесс. Тем более, что один из выбранных для измерения режимов — ток 5мА, чаще всего и является током покоя первого каскада. А на каком токе проводит измерения китайский мультиметр???
Удачного творчества!
Главный редактор «РадиоГазеты».
Добрый день! По поводу TL431 с напряжением 1.2 вольта — есть TL432, правда, у неё не 1,2 В, а 1,25 В
Здравствуйте! Собрал прибор. Работает. Спасибо автору за схему!!!
Но есть одна непонятка — померял транзисторы n-p-n, всё 👍 Потом перехожу на p-n-p и вижу, что ток эмиттера на всех положениях ровно в два раза меньше🙁
Ошибок в монтаже нету. В чём может быть проблема?
Приветствую.
Лично проверял этим прибором германиевые транзисторы ГТ402, ГТ404. Конечно,, не на 0,5А — поменьше. Они сверхлинейные и проблем с ними не было.
Из мощных проверял П214 и ГТ806.
П214 измерялись без проблем.
С ГТ806 было веселее. «Обычные» транзисторы показывали какую-то фигню. График завязывался в морской узел.
Транзисторы с военной приёмкой (ромбик на корпусе)измерились без всяких проблем.
Делайте выводы.
Ну и надо учитывать особенности германия — при нагреве параметры плывут, только успевай следить. Поэтому при измерениях на больших токах транзисторы надо закрепить на радиаторе, а сами измерения проводить быстро, не допуская сильного нагрева элемента.
Удачи!
Подскажите, эта схема была проверена на мощных германиевых транзисторах? В схеме на месте транзистора Т3 я использовал BC547C, он имеет очень высокий hFE, у установленного экземпляра был 560. Проблема в том, что ток коллектора испытаваемого транзистора был далеко больше от расчетного 500mA и уплывал по мере прогрева. То есть как бы генератор стабильного тока не заработал. TL431 исправна, проверил. Среди 4-х деталей не ошибешься. Всю схему не собирал, собрал только для тока 500mA и для замера мощных гермнаниевых.
Я пользуюсь для измерения цифровым мультиметром. Они сейчас стоят копейки и гораздо компактнее стрелочных. Измерять обратный ток при разработке этого прибора задача не стояла.
Да, вы правы, но если шкала нелинейна, то пользоваться будет неудобно. Поэтому и был задан вопрос: будет ли шкала линейна? Мне кажется, что для подбора выходных транзисторов очень не хватает схемы для измерения обратного тока коллектора. Чем вы измеряете этот параметр, без его учёта некоторые транзисторы могут сильно греться?
какая разница каким прибором измерять ток?
Можно ли применить стрелочный прибор для измерения тока базы? Или в этом случае его шкала будет не линейна и пользоваться будет не удобно?
Уже устал отвечать на этот вопрос.
Все видят этот «косяк», но не хотя внимательно читать текст и анализировать схему. Печалька 🙁
Объясняю в сотый раз.
Да, резистор R4 постоянно подключен к TL431, чтобы при переключении управляющие цепи не разрывались и не было переходных процессов и т.п.
Поэтому первый контакт переключателя висит в воздухе, минимальный ток задаётся всегда.
При переключении другие резисторы шунтируют R4, общее сопротивление уменьшается и ток стабилизатора возрастает.
На схеме ошибок нет! Конструкция повторена многократно без каких либо доработок и исправлений. Всё работает.
Я в электронике новичок, по схеме непонятно куда подключен контакт 2 переключателя S1.1 для тока 2mA, он просто висит в воздухе? Мне думается к резистору R4 в точку где подключен управляющий электрод TL431. Если не прав поправьте.
В статье написано, что этот резистор специально оставлен включенным постоянно, чтобы избежать переходных процессов при коммутации.
Ну а насколько он внесёт погрешность в измерения — посчитайте сами.
Если задаться дикой точность, то его вполне можно учесть в расчётах.
Правильно ли я понимаю, что R4 1K2 также нужно коммутировать переключателем S1? В противном случае (так, как указано на схеме), будучи подключенным постоянно, он изменит значения подключаемых резисторов и эмиттерные токи не будут соответствовать указанным значениям. Или я не прав?
Повторил прибор, идея классная, для практики точности достаточно. Однако при измерении часто возникало самовозбуждение генератора тока на частотах 1…10 МГц, и показания очень сильно искажались. При использовании проволочных резисторов в качестве токозадающих, генерация вообще всегда появлялась. Проблема полностью решилась шунтированием TL431 конденсатором емкостью 1500пФ (между катодом TL431 и землей).
Спешу Вас успокоить — считаете Вы правильно! И, казалось бы, мощность в 2 Вт будет достаточной. Но! Как показала практика, двухваттный резистор очень быстро существенно нагревается и показания прибора начинают «плыть». Для повышения стабильности показаний и соответственно точности измерений рекомендована мощность 5 Вт и более.
Добрый день, хотел уточнить. Для 500мА — указана мощность резистора 5W. Но если я правильно понимаю 0,5А х 2,5V — 1,25W — т.е. — 2W — более чем достаточно? Или я не верно считаю?